Артикул производителя: 38 11 80
Назначение УЗИП EP C TT-275
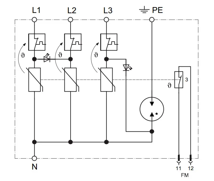
Ограничитель импульсных перенапряжений EP C TT-275 – компактное четырехполюсное устройство, предназначенное для защиты трехфазных электрических сетей переменного тока с системой TT (глухое заземление нейтрали источника, заземлитель на стороне потребителя не зависит от заземлителя нейтрали на подстанции) и TNS (рабочий и защитный нулевые провода отделены друг от друга).
Устройство обеспечивает защиту потребителей от импульса тока 8/20 мкс, возникающего вследствие:
- Непрямого удара молнии (в токопроводящие объекты или землю в радиусе нескольких километров от защищаемого здания);
- Промышленных перенапряжений (подключение к сети трансформаторов, двигателей и т.д.)
Подходит для использования во внешней зоне защиты, подверженной влиянию электромагнитного поля, наведенного молнией (на границах LPZ 0B-1).
Возможна координация с установленными выше по цепи моделями УЗИП PowerPro или IsoPro того же производителя.
Достоинства импульсных ограничителей серии EP C
- Компактный корпус, безопасность соединений;
- Серия произведена с применением технологии изолирующего разрядника;
- Наличие в конструкции больших многофункциональных клемм для кабеля с поперечным сечением до 50 мм²;
- Для защиты системы заземления фундамента предусмотрено отсутствие токов утечки;
- Возможность дополнительно оснастить устройство удаленным переключающим контактом (не требует дополнительного места для установки);
- Возможность контролировать состояние линии и разрядника с помощью зеленого светодиодного индикатора на фронтальной панели устройства.
Купить УЗИП EP C TT-275 в Минске можно, позвонив нам по телефонам, указанным на сайте.
Другие модели импульсных ограничителей смотрите в разделе Ограничители импульсных перенапряжений (УЗИП).


