Всегда на связи!
Хотите поговорить? Обратная связь

Телефон+375 (17) 300-58-48Факс+375 (17) 362-38-49


Устройство защиты от импульсных перенапряжений EP D TN 275V

Устройство защиты от импульсных перенапряжений EP D TN 275V, класс 3, макс. напряжение 275В
  • Устройство защиты от импульсных перенапряжений EP D TN 275V, класс 3, макс. напряжение 275В

Область применения:

  • Комплектация щитов ВРУ, ГРЩ;
  • Однофазные электрические сети с системой TN.


Артикул производителя: 38-12-54

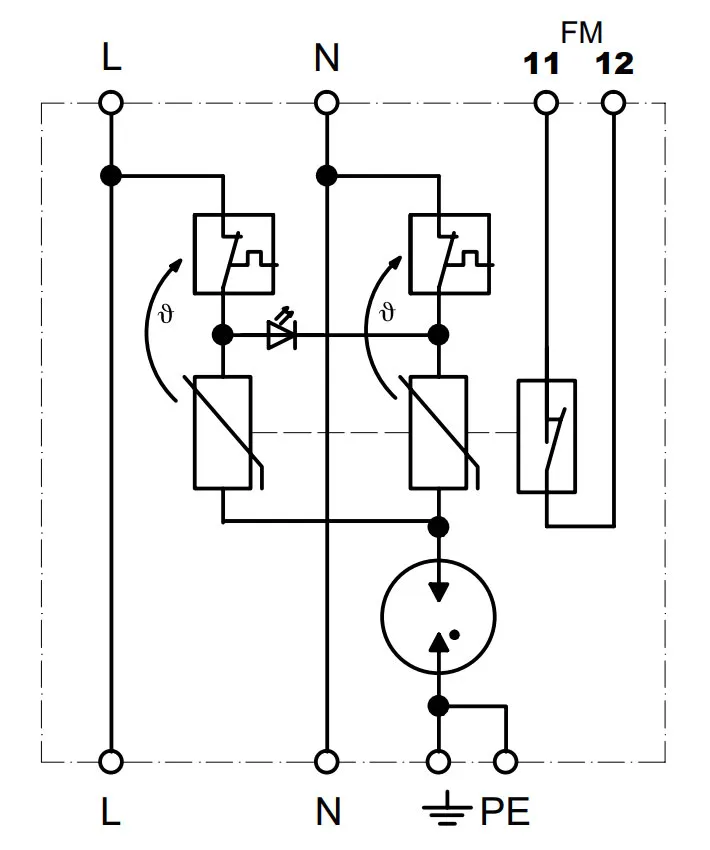
Назначение УЗИП EP D TN 275V

Устройство защиты от импульсных перенапряжений EnerPro D TN 275V предназначено для защиты электропотребителей, запитанных от однофазной сети с системой заземления TN (с глухозаземленной нейтралью). Изделие позволяет защитить электроприборы от остаточных бросков напряжений в случаях:

  • Непрямых ударов молнии в радиусе нескольких километров от здания;
  • Коммутации защитных автоматов, трансформаторов, двигателей и т.д.

УЗИП EnerPro EP D TN 275V представляет собой устройство класса 3 и служит последним рубежом для защиты оборудования от остаточных перенапряжений. Это подразумевает необходимость его установки в непосредственной близости от защищаемых приборов.

Достоинства импульсного ограничителя EnerPro D TN 275V

  • Отсутствует ток утечки.
  • Светодиодный индикатор отображает, соответствует ли рабочее напряжение норме, и функционирует ли схема защиты.
  • Возможно дополнительное подключение удаленного сигнального контакта /FM (артикул изделия – 38-12-55).

Чтобы купить УЗИП в Минске или с доставкой по Беларуси, позвоните нам по телефонам, указанным на сайте.

Другие модели смотрите в разделе Ограничители импульсных перенапряжений (УЗИП).