Артикул производителя: 38-05-24
Назначение УЗИП EP D TNC 275V
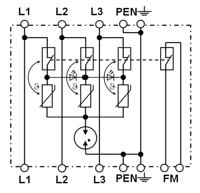
Устройство защиты от импульсных перенапряжений EnerPro D TNC 275V предназначено для защиты электропотребителей, запитанных от трехфазной сети с системой заземления TN-C (рабочий ноль и PE-проводник совмещены в одном проводе).
Изделие позволяет защитить электроприборы от остаточных бросков напряжений в случаях:
- Непрямых ударов молнии в радиусе нескольких километров от здания;
- Коммутации защитных автоматов, трансформаторов, двигателей и т.д.
Устройство представляет собой УЗИП класса 3 и служит последним рубежом для защиты оборудования от остаточных перенапряжений. Это подразумевает необходимость его установки в непосредственной близости от защищаемых приборов.
Достоинства импульсного ограничителя EnerPro D TNC 275V
- Продольная и поперечная защита подключенного оборудования с силой тока до 16 А.
- Нет утечки тока на PE-проводник.
- Может работать совместно с УЗИП категории защиты Т2.
- Светодиодный индикатор позволяет визуально контролировать состояние линии и схемы защиты.
- Функция термозащиты осуществляет автоматическое отключение варисторов по достижении определенной температуры при перенапряжении.
- Возможно дополнительное подключение удаленного сигнального контакта /FM (артикул изделия – 38-05-25).
Чтобы купить УЗИП в Минске или с доставкой по Беларуси, позвоните нам по телефонам, указанным на сайте.
Другие модели смотрите в разделе Ограничители импульсных перенапряжений (УЗИП).


